力科 邏輯分析儀 HDA125-18-LBUS
12.5 GS / s的采樣率,可實現80ps的定時精度
3 GHz引線組,用于捕獲高達6 Gb / s的數字信號
為您的Teledyne LeCroy高帶寬示波器增加高速混合信號功能
通過Teledyne LeCroy LBUS進行精確的定時同步,適用于中帶寬和高帶寬示波器(WaveMaster 8Zi系列,WavePro 7Zi系列和WaveRunner 6Zi)
USB 3.1快速傳輸數據
獨特的QuickLink探測系統
帶有9英寸引線的差分焊接尖端簡化了困難測試點的訪問
超低負載,性能卓越
6 GHz帶寬探頭與HDA數字引腳組和Teledyne LeCroy WaveLink差分模擬探頭兼容,具有無與倫比的采集靈活性
產品描述
靈敏度高的高速采樣

HDA125以12.5 GS / s的速度采樣18個輸入信號,以準確表征最快的信號。但是采樣率只是故事的一半-高速嵌入式系統測試通常會帶來非常具有挑戰性的信號幅度條件。高速數字分析儀以超低的探頭負載和行業領先的靈敏度(最小信號擺幅為150 mV)來應對這些挑戰。獨特的磁滯調節功能可確保最精確的閾值設置,并且閾值精度是同類混合信號儀器的三倍。
極致的探測靈活性

QuickLink探頭尖端系統是從頭開始設計的,與HDA125高速數字分析儀系統以及Teledyne LeCroy的WaveLink系列差分模擬探頭系列兼容。這種交叉連接功能使您可以在所有需要的測試點為被測系統配備QuickLink提示,并根據需要在數字和模擬采集系統之間交換連接。
采集同步和交叉觸發

HDA125使用LBUS或ChannelSync接口連接到Teledyne LeCroy示波器,從而可以以相同的時基精度采集數字通道,并觸發同步作為內置混合信號解決方案。USB 3.1接口可將采集的數字數據高速傳輸到示波器。模塊化設計使您可以通過在現有儀器之間共享數字采集功能來更好地利用投資。
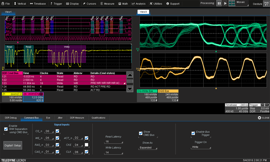
DDR命令總線捕獲,提供完整的接口可見性

嵌入式DDR接口的基本調試和驗證通常涉及時鐘,數據(DQ)和選通(DQS)信號的模擬屬性分析-Teledyne LeCroy的DDR分析工具已成為該應用程序的行業領導者。但是,當驗證任務變得更加復雜且問題需要更深入的了解時,觸發,獲取和可視化DDR命令總線狀態的能力將變得無價。HDA125將命令總線的獲取帶到了Teledyne LeCroy已經全面的工具集中,從而提供了終極的內存總線分析功能。
分析DDR總線活動

HDA125啟用了DDR調試工具包的獨特“總線視圖”功能,該功能將Teledyne LeCroy的高級總線分析功能設置為可用于DDR分析。以表格形式查看總線活動,并通過觸摸按鈕將與時間相關的視圖移至所需事件。在獲取的記錄中搜索特定事件和總線狀態。直觀的顏色覆蓋和注釋使您可以輕松識別所采集的模擬波形中的關注區域。
在DDR命令上觸發

能夠在命令總線的特定狀態上觸發的能力成為快速了解DDR信號質量的寶貴工具。HDA125的邏輯觸發與DDR調試工具包的直觀設置和智能軟件交叉觸發相結合,可提供最終的DDR觸發系統。讀和寫突發的持久性圖為識別細微的信號質量問題提供了一種簡便,快速的方法,以供進一步研究。





