頻率響應測試系統LET-3FRA/LET-4FRA/LET-5FRA
產品描述
LET-3FRA/LET-4FRA/LET-5FRA
頻率響應測試系統
u 支持力科WaveSurfer 3000Z、WaveSurfer 4000HD、HDO 4000A等系列示波器

產品介紹
頻率響應分析(FRA)是研發工程師常用的一種非常重要的測試方法。它可以在特定頻率范圍內進行掃描、完成增益和相位測試并給出圖示結果,還可以用于確定環路穩定性的控制要求余量,設計無源濾波器、放大器電路和開關電源等負反饋網絡產品。
LET-FRA是針對使用LECROY示波器進行開關電源測試的工程師進行穩定性分析開發的附加功能,是對LECROY示波器HDO-PWR選件的良好補充,與其搭配使用可以完整地進行開關電源的全面分析。同時,LET-FRA也可以單獨使用,使示波器成為一臺專業的頻響分析儀,進行開關電源的頻率響應分析。
? 全時12bits高精度示波器提供高于業界測試結果
? 動態范圍:140dB
? 頻率范圍:1Hz-25MHz
? 掃頻模式或單頻點測試模式
? 可對頻率分段設置且可自由設置幅度
? 測試點數20-500
? 增益和相位曲線、測量波形實時顯示
? 結果可生成CSV文件,支持離線分析
? 可對歷史測試數據進行重現對比,復現數據數量不限
? 自動測量交越點
? 最少兩條游標,計算游標差值

圖1 軟件界面
注入信號設置自由靈活,可設置復雜多變的測試條件,提供測試者希望得到的測試場景
圖2 頻率、點數、幅值設置界面
提供本次測試數據,包括測試頻點和相對應的增益和相位值。

圖3 當前測試數據
離線測試結果圖形分析,多種波形顯示,最多可通示LOAD三個測試結果。

圖4 離線分析
離線測試結果數據分析,LOAD數據數量不受限制

圖5 離線數據顯示
單頻點測試,測試工程師關注的單個頻點,可以節約工程師測試時間。(單頻點測試時,測試點數大于等于2)

圖6 單頻點測試
多種顯示模式:1、增益、相位實時顯示
;
2、測試波形實時顯示。



圖7 實時顯示波形
開關電源設計驗證的整體方案
LET- xFRA頻率響應測試系統可以和 LECROY 的 PWR 選件配合使用,對開關電源進行全面的設計驗證。
力科公司的PWR功率測量分析軟件提供強大功能來測量和分析電力轉換設置和電路的操作特性;PMA實現了功率開關器件測量、執行控制回路調制分析和測量線功率諧波;專門設計的配件,如差分放大器、差分探頭、電流探頭和Deskew夾具,提供了無與倫比的測量質量。
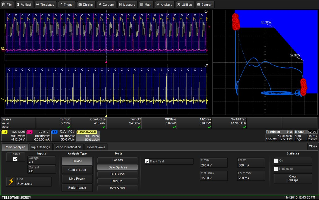
PWR 軟件選件簡化了對在線功率器件開關特性的測量。損耗測量包括:使用特定顏色的疊加層自動識別區域,以標記器件操作的導通和開/關狀態區域;參數顯示在刻度下方,顯示導通、導通、關斷、關斷狀態、所有區域和開關頻率;顯示控件允許將值視為平均功率、峰值功率或能量(焦耳);可對器件分析的所有方面進行快速測量,例如器件瞬時功率、開關損耗、安全操作區域 (SOA)、飽和電壓、動態對內電阻、dv/dt 或 di/dt,以及磁性器件的飽和滯后曲線等。


參數指標
項目 | 規格 |
測試功能 | PSRR、FRA |
頻率模式 | 頻率掃描或單頻點 |
頻率掃描模式 | 線性或對數 |
頻率設定 | 分段列表 |
掃描點數 | 20-500 |
顯示模式 | 獨立或疊加 |
輸入輸出通道 | CH1、CH2、CH3、CH4 |
測試通道分辨率 | 8bit+3bit ( LET-3FRA) 12bit+3bit(LET-4FRA和LET-5FRA) |
頻率范圍 | CH1& CH2:1uHz~25MHz 隔離通道:1Hz~5MHz |
測試幅度 | 1mVpp~2Vpp(into 50Ω) 2mVpp~4Vpp(開路) |
測試結果 | 光標讀出,雙光標 |
隔離電壓 | 500Vmax |
訂購信息
力鈦科FRA軟件需要搭配力科示波器使用,符合要求的示波器包括:WaveSurfer 3000Z、WaveSurfer 4000HD、HDO4000A等系列,除此之外該系統還需要的儀器設備包括:LET-FRA軟件、LET-2505系列帶隔離功能的任意波形信號源。測試時為減少誤差,請使用衰減比為1:1的測試探頭或線纜。
產品型號 | 產品描述 |
WaveSurfer 3000Z | 垂直分辨率8bit,采樣率4GS/s,4通道,存儲深度20Mpts,帶寬200M、350M、500M、1G |
LET-3FRA | 頻率響應測試軟件專業版,支持力科WaveSurfer 3000Z系列示波器 |
LET-2505 | 25M雙通道任意波形發生器,隔離通道頻率5MHz |
WaveSurfer 4000HD | 垂直分辨率全時12bit,采樣率5GS/s,4通道,存儲深度25Mpts,帶寬200M、350M、500M、1G |
LET-4FRA | 頻率響應測試軟件專業版,支持力科WaveSurfer 4000HD系列示波器 |
LET-2505 | 25M雙通道任意波形發生器,隔離通道頻率5MHz |
HDO4000A | 垂直分辨率全時12bit,采樣率10GS/s,4通道,存儲深度25Mpts,帶寬200M、350M、500M、1G |
LET-5FRA | 頻率響應測試軟件專業版,支持力科HDO4000A系列示波器 |
LET-2505 | 25M雙通道任意波形發生器,隔離通道頻率5MHz |





